

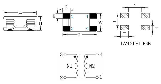
UNIT : mm (inch)
| ORDERING CODE | L | W | H | D REF | E REF | F REF | I REF | J REF | K REF | BASE | WINDING | WIRING | Z at 100MHz (Ω)min | RATED CURRENT (mA) | RDC (Ω)max |
|---|---|---|---|---|---|---|---|---|---|---|---|---|---|---|---|
| BQS750603 | 7.5±0.3 | 6.0±0.5 | 3.2±0.3 | 2.5 | 1.5 | 3.1 | 2.4 | 1 | 1.5 | SMD-4P | ψ0.35*2.5TS*2 | 1-4;2-3 | 200 | 2000 | 0.02 |
| BQS100805 | 10.6 max | 8.7 max | 5.0±0.5 | 2.5 | 2.1 | 4.2 | 3 | 2 | 3.6 | SMD-4P | ψ0.55*4.5TS*2 | 1-4;2-3 | 400 | 4000 | 0.045 |
| BQS121006 | 12.0±0.5 | 10.0±0.5 | 6.0±0.5 | 3.5 | 2 | 4.75 | 4.5 | 3 | 4.5 | SMD-4P | ψ0.50*4.5TS*2 | 1-4;2-3 | 400 | 5000 | 0.025 |