SMD POWER INDUCTORS /BSF□□□□ DSCC SERIES

FEATURE
  1. Magnetically shielded construction.
  2. Compact and thin.
APPLICATIONS

Notebook , Cellular Phone , DC to DC converter , PDA , Communication products , VGA card.

ORDERING CODE.
BSF-DSCC
  1. PRODUCT TYPE CODE AND SIZE CODE
  2. INDUCTANCE
  3. INDUCTANCE TOLERANCE(M:±20%,N:±30%)
  4. REEL TAPING
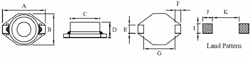
Appearance and Dimensions (mm)
0402 SERIES

BSF-DSCC
 
0804 SERIES

BSF-DSCC
 
1306 SERIES

BSF-DSCC

UNIT : mm (inch)

SIZE CODEA(MAX)B(MAX)CD(MAX)EFGHIJKSeries Spec.
BSF0402DSCC6.64.454.0±0.32.921.27±0.31.02±0.34.32±0.32.50±0.33.561.44.06BSF-DSCC
BSF0804DSCC12.959.48.38±0.35.082.54±0.32.54±0.37.62±0.3---2.792.927.37BSF-DSCC
BSF1306DSCC18.5415.2412.70±0.37.622.54±0.32.54±0.312.70±0.3---2.792.9212.45BSF-DSCC
  1. Other sizes are available upon request.
  2. All the data listed in this catalogue are for reference only; King Core reserves
    the right to alter or revise the specifications without prior notification.
關閉