Oscillator coil ; choke coil ; and peaking coil



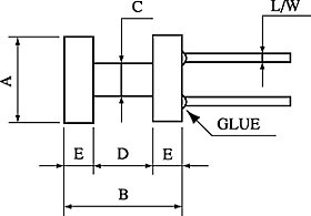
| DIMENSIONS UNIT : mm (inch) | ||||||||
| NO | ORDERING CODE | A | B | C | D | E | P | Fig |
|---|---|---|---|---|---|---|---|---|
| 1 | DR2W 3*4(1.5-1.6 ) | 3.00±0.15 | 4.00±0.20 | 1.50±0.15 | 1.60±0.15 | 1.30±0.15 | 1.5 | 1 |
| 2 | DR2W 4*4(2-1.6 ) | 4.00±0.15 | 4.00±0.50 | 2.00±0.15 | 1.60±0.15 | 1.20±0.15 | 1.5 | 1 |
| 3 | DR2W 4*5.5(2-2.2 ) | 4.00±0.15 | 5.50±0.30 | 2.00±0.15 | 2.20±0.15 | 1.50±0.15 | 1.7 | 1 |
| 4 | DR2W 4*6(1.8-3 ) | 4.00±0.15 | 6.00±0.30 | 1.80±0.15 | 3.00±0.15 | 1.65±0.15 | 2 | 1 |
| 5 | DR2W 4.2*6(1.8-2.8 ) | 4.20±0.20 | 6.00±0.30 | 1.80±0.15 | 2.80±0.15 | 1.65±0.15 | 2 | 1 |
| 6 | DR2W 5*7(2-3 ) | 5.00±0.15 | 7.00±0.30 | 2.00±0.15 | 3.00±0.15 | 1.75±0.15 | 2 | 1 |
| 7 | DR2W 5*8(2.5-4 ) | 5.00±0.20 | 8.00±0.30 | 2.50±0.15 | 4.00±0.20 | 1.75±0.15 | 2 | 1 |
| 8 | DR2W 6*8(2.5-4 ) | 6.00±0.15 | 8.00±0.30 | 2.50±0.15 | 4.00±0.15 | 2.00±0.15 | 3 | 1 |
| 9 | DR2W 6*8.5(2.5-5 ) | 6.00±0.15 | 8.50±0.30 | 2.50±0.15 | 5.00±0.15 | 1.75±0.15 | 3 | 1 |
| 10 | DR2W 8*7(3-3.3 ) | 8.00±0.20 | 7.00±0.30 | 3.00±0.15 | 3.30±0.20 | 1.75±0.15 | 3 | 1 |
| 11 | DR2W 8*8(4.5-4 ) | 8.00±0.20 | 8.00±0.30 | 4.50±0.30 | 4.00±0.15 | 2.00±0.15 | 5 | 1 |
| 12 | DR2W 8*9(3.5-5 ) | 8.00±0.20 | 9.00±0.30 | 3.50±0.15 | 5.00±0.15 | 2.00±0.15 | 5 | 1 |
| 13 | DR2W 8*10(4.5-5 ) | 8.00±0.20 | 10.00±0.30 | 4.50±0.30 | 5.00±0.15 | 2.50±0.15 | 5 | 1 |
| 14 | DR2W 8*12(4-7 ) | 8.00±0.20 | 12.00±0.30 | 4.00±0.15 | 7.00±0.20 | 2.60±0.15 | 5 | 1 |
| 15 | DR2W 9*12(4-7 ) | 9.00±0.20 | 12.00±0.30 | 4.00±0.15 | 7.00±0.20 | 2.60±0.15 | 5 | 1 |
| 16 | DR2W 10*12(4-7 ) | 10.00±0.20 | 12.00±0.30 | 4.00±0.15 | 7.00±0.20 | 2.50±0.15 | 5 | 1 |
| 17 | DR2W 10*15(4-9 ) | 10.00±0.20 | 15.0±0.40 | 4.00±0.20 | 9.00±0.20 | 3.00±0.15 | 5 | 1 |
| 18 | DR2W 10*16(4-10.2 ) | 10.00±0.20 | 16.00±0.40 | 4.00±0.15 | 10.20±0.15 | 2.90±0.15 | 6 | 1 |
| 19 | DR2W 13*15(6-9 ) | 13.00±0.30 | 15.00±0.30 | 6.00±0.15 | 9.00±0.20 | 3.25±0.15 | 6 | 1 |
| 20 | DR2W 14*15(5.5-9.2 ) | 14.00±0.20 | 15.00±0.40 | 5.50±0.20 | 9.20±0.20 | 2.90±0.15 | 9 | 1 |
| 21 | DR2W 16*18(6.5-13 ) | 16.00±0.20 | 18.00±0.30 | 6.50±0.15 | 13.00±0.20 | 4.50±0.15 | 9 | 1 |
| 22 | DR2W 18*18(10-10 ) | 18.00±0.50 | 18.00±0.30 | 10.00±0.20 | 10.00±0.20 | 4.00±0.30 | 13 | 1 |
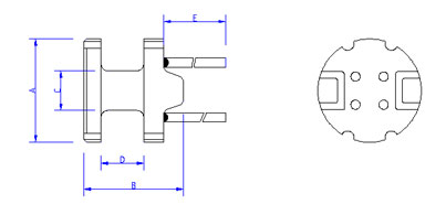
| 23 | DR4W 7.8*11(4.5-7 ) | 7.80±0.30 | 11.00±0.40 | 4.50±0.15 | 7.00±0.20 | 20.00±1.0 | 3.5 | 2 |