EMI suppression for connectors & dual in line integrated circuits
* 9;15;25 and 37 pin subminiature "D" connectors


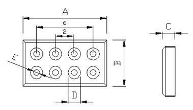
FIG 1

FIG 2

FIG 3

FIG 4

FIG 5

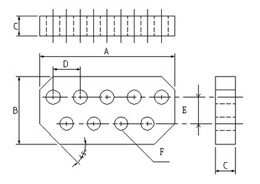
FIG 6

FIG 7

FIG 8
| DIMENSIONS & CHARACTERISTICS | UNIT : mm (inch) | |||||||
| NO | ORDERING CODE | A | B | C | D | E | F | Fig |
|---|---|---|---|---|---|---|---|---|
| 1 | F8D 10.15*5.85*1.4 | 10.15±0.20 | 5.85±0.15 | 1.40(+0.15/-0.30) | 1.50(+0.00/-0.20) | 0.80±0.10 | - | 4 |
| 2 | F9D 14.4*7.6*2.7 | 14.40±0.40 | 7.60±0.20 | 2.70±0.15 | 2.77±0.10 | 2.85±0.15 | 1.65±0.10 | 5 |
| 3 | F9D 14.43*7.6*3.4 | 14.43±0.40 | 7.60±0.20 | 3.40±0.20 | 2.77±0.10 | 2.85±0.15 | 1.65±0.10 | 5 |
| 4 | F15D 13.27*9.5*2.2 | 13.27±0.30 | 9.50±0.30 | 2.20±0.15 | 2.28±0.10 | 2.54±0.15 | 1.10±0.10 | 2 |
| 5 | F15D 13.4*9.4*2.2 | 13.40±0.30 | 9.40±0.30 | 2.20±0.15 | 2.28±0.10 | 2.54±0.15 | 1.10±0.10 | 2 |
| 6 | F15D 13.45*9.5*2.1 | 13.45±0.30 | 9.50±0.30 | 2.10±0.15 | 2.28±0.10 | 2.54±0.15 | 1.10±0.10 | 2 |
| 7 | F15D 22.5*7.6*2.7 | 22.50±0.40 | 7.60±0.20 | 2.70±0.15 | 2.77±0.10 | 2.84±0.15 | 1.65±0.10 | 1 |
| 8 | F15D 22.5*7.6*3.4 | 22.50±0.40 | 7.60±0.50 | 3.40±0.15 | 2.77±0.10 | 2.84±0.15 | 1.65±0.10 | 1 |
| 9 | F16D 20.3*9.95*3.3 | 20.30±0.60 | 9.95±0.20 | 3.30±0.25 | 2.54±0.15 | 2.54±0.15 | 1.15+0.2(-0) | 8 |
| 10 | F25D 36.3*7.6*2.7 | 36.30±0.30 | 7.60±0.50 | 2.70±0.15 | 2.77±0.10 | 2.84±0.15 | 1.65±0.10 | 6 |
| 11 | F25D 36.33*7.6*1.8 | 36.33±0.40 | 7.60±0.50 | 1.80±0.15 | 2.77±0.10 | 2.84±0.15 | 1.65±0.10 | 6 |
| 12 | F25D 36.33*7.6*3.4 | 36.33±0.50 | 7.60±0.50 | 3.40±0.15 | 2.77±0.10 | 2.84±0.15 | 1.65±0.10 | 6 |
| 13 | F37D 53.4*7.6*2.7 | 53.40±0.30 | 7.60±0.30 | 2.70±0.15 | 2.77±0.10 | 2.84±0.15 | 1.65±0.10 | 7 |