

CATV, Digital/Aanalog Tuner, 1 Segment Broadcasting Tuner



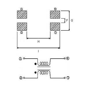
UNIT : mm (inch)
| SIZE CODE | A | B | C | D1 TYP | D2 TYP | F TYP | G TYP | H TYP | I TYP | Series Spec. |
|---|---|---|---|---|---|---|---|---|---|---|
| WBL-2012 (0805) | 2.00±0.20 ( 0.079±0.008) | 1.20±0.20 ( 0.047±0.008) | 1.20±0.20 ( 0.047±0.008) | 0.45 (0.018) | 0.40 (0.016) | 0.40 (0.016) | 1.20 (0.047) | 0.80 (0.031) | 2.60 (0.102) | ![]() |