




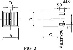
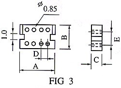
| DIMENSIONS & CHARACTERISTICS | UNIT : mm (inch) | ||||||
| NO | ORDERING CODE | A | B | C | D | E | Fig |
|---|---|---|---|---|---|---|---|
| 1 | S5H 5*4.6*5.5 | 5.00±0.25 | 5.00+0 | 8.00+0 | 2.00-0 | - | 4 |
| 2 | S5H 5*4.6*8.5 | 5.00±0.25 | 5.00+0 | 11.00+0 | 2.00-0 | - | 4 |
| 3 | S6H 7.6*5*8 | 7.60±0.25 | 5.00±0.20 | 8.00±0.25 | 2.54±0.10 | 2.54±0.10 | 1 |
| 4 | S6H 7.6*5*10 | 7.60±0.25 | 5.00±0.20 | 10.00±0.25 | 2.54±0.10 | 2.54±0.10 | 1 |
| 5 | S8H 10.2*6*2.6 | 10.20±0.30 | 6.00±0.20 | 2.60±0.15 | 2.54±0.10 | 2.54±0.10 | 3 |
| 6 | S8H 11.2*11.2*10.2 | 11.20±0.30 | 11.20±0.30 | 10.20±0.25 | 2.54±0.10 | 7.62±0.20 | 2 |