WCM-AUTO For Automobile



Applications

SPECIFICATION OF WCM-□□□□AUTO SERIES

FEATURE
  • Wire-wound common mode chike coil
  • Common mode filters for automotive Ethernet 1000BASE-T1(WCM-3225AUTO-800YT)
  • Common mode EMC Solution
  • Compatible with RoHS Directive and AEC-Q200
  • Compatible with Automotive required operating temperature –40 to +125°C
APPLICATIONS

Preventive measure against high speed transmission signal radiation emissions for FlexRay, CAN/CAN-FD, Ethernet system, Automotive Grade

ORDERING CODE.
WCM-AUTO For Automobile
  1. Product TypeCode
  2. Product Size& Design Code
  3. Impedance Code
  4. Tolerance
  5. Taping Code
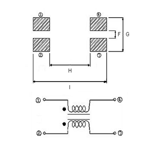
Appearance and Dimensions (mm)
WCM-AUTO For Automobile
WCM-AUTO For Automobile

UNIT : mm (inch)

SIZE CODEABCD1
TYP
D2
TYP
F
TYP
G
TYP
H
TYP
I
TYP
Series Spec.
WCM-2012AUTO
(0805)
2.00±0.20
(0.079±0.008)
1.20±0.20
(0.047±0.008)
1.20±0.20
(0.047±0.008)
0.15
(0.018)
0.40
(0.016)
0.40
(0.016)
1.20
(0.047)
0.80
(0.031)
2.60
(0.102)
WCM-AUTO For Automobile
WCM-3225AUTO
(1210)
3.30±0.20
( 0.13±0.008)
2.60±0.20
(0.102±0.008)
2.6max
(0.102±0.008)
0.50
(0.019)
0.90
(0.035)
0.60
(0.024)
3.50
(0.138)
1.60
(0.063)
4.00
(0.157)
WCM-AUTO For Automobile
WCM-3225AUTO-G/-M
(1210)
3.30±0.20
( 0.13±0.008)
2.60±0.20
(0.102±0.008)
2.4max
(0.094±0.008)
0.50
(0.019)
0.90
(0.035)
0.60
(0.024)
3.50
(0.138)
1.60
(0.063)
4.00
(0.157)
WCM-AUTO For Automobile
WCM-4532AUTO
(1812)
4.50±0.20
(0.177±0.008)
3.20±0.20
(0.126±0.008)
2.80+0.35(-0.2)
(0.110±0.008)
1.00
(0.039)
1.00
(0.039)
0.40
(0.016)
3.60
(0.141)
2.10
(0.082)
4.90
(0.192)
WCM-AUTO For Automobile
  1. Other sizes are available upon request.
  2. All the data listed in this catalogue are for reference only; King Core reserves
    the right to alter or revise the specifications without prior notification.
Close