Lowprofile and very small size SMD Design; Wound Chip constructure with standard 0504 and 0805 size; with best EMI suppression effect but least impact to High Speed signal integrity.



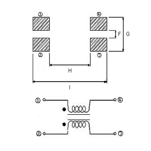
UNIT : mm (inch)
| SIZE CODE | A | B | C | D1 TYP  | D2 TYP  | F TYP  | G TYP  | H TYP  | I TYP  | 
|---|---|---|---|---|---|---|---|---|---|
| WCM-1210HS (0504)  | 1.20±0.20 ( 0.047±0.008)  | 1.00±0.20 ( 0.039±0.008)  | 0.90±0.20 ( 0.035±0.008)  | 0.36 (0.014)  | 0.38 (0.015)  | 0.30 (0.012)  | 1.2 (0.047)  | 0.60 (0.024)  | 1.5 (0.059)  | 
| WCM-2012HS (0805)  | 2.00±0.20 ( 0.079±0.008)  | 1.20±0.20 ( 0.047±0.008)  | 1.20±0.20 ( 0.047±0.008)  | 0.45 (0.018)  | 0.40 (0.016)  | 0.40 (0.016)  | 1.2 (0.047)  | 0.80 (0.031)  | 2.6 (0.102)  |