Special very Lowprofile and small size design; Wound chip construction with standard 0805 or 0603 size; with best EMI suppression effect at higher frequency 500MHz~up.
And least impact to signal wave form.
Preventive measure against high speed signal radiation emissions such as USB 2.0; IEEE1394 or LAN interface.
Best for NB; DSC; mobile device design.



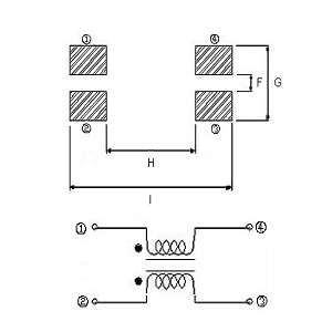
UNIT : mm (inch)
| SIZE CODE | A | B | C | D1 TYP | D2 TYP | F TYP | G TYP | H TYP | I TYP |
|---|---|---|---|---|---|---|---|---|---|
| WCM-160808 (0603) | 1.60±0.20 ( 0.063±0.008) | 0.80±0.30 (0.031±0.012) | 0.80±0.20 ( 0.031±0.008) | 0.30 (0.012) | 0.30 (0.012) | 0.30 (0.012) | 1.00 (0.039) | 0.70 (0.028) | 2.10 (0.083) |
| WCM-201209 (0805) | 2.00±0.20 ( 0.079±0.008) | 1.20±0.30 ( 0.047±0.012) | 0.90±0.20 ( 0.035±0.008) | 0.45 (0.018) | 0.40 (0.016) | 0.40 (0.016) | 1.20 (0.047) | 0.80 (0.031) | 2.60 (0.102) |