

DC/DC Converter for CPU in Notebook PC.
Graphic Card , VRM , POL , DSC , Mobile Phone ,
LCD panel , LCD TV , HD.




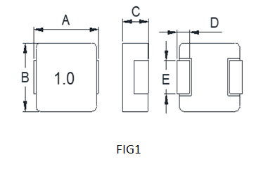
| DIMENSIONS & CHARACTERISTICS | UNIT : mm (inch) | ||||||||||
| SIZE CODE | A mm | B mm | C mm | D mm | E mm | L mm | G mm | H mm | FIG | ||
|---|---|---|---|---|---|---|---|---|---|---|---|
| BSF0312HCYD | 3.5±0.3 | 3.2±0.2 | 1.0±0.2 | 0.7±0.2 | 1.2±0.2 | 4.1REF | 1.9REF | 1.45REF | 1 | ||
| BSF0315HCYD | 3.5±0.3 | 3.2±0.2 | 1.3±0.2 | 0.7±0.2 | 1.2±0.2 | 4.1REF | 1.9REF | 1.45REF | 1 | ||
| BSF0318HCYD | 3.5±0.3 | 3.2±0.2 | 1.6±0.2 | 0.7±0.2 | 1.2±0.2 | 4.1REF | 1.9REF | 1.45REF | 1 | ||
| BSF0320HCYD | 3.5±0.3 | 3.2±0.2 | 1.8±0.2 | 0.7±0.2 | 1.2±0.2 | 4.1REF | 1.9REF | 1.45REF | 1 | ||
| BSF0412HCYD | 4.45±0.25 | 4.06±0.25 | 1.0±0.2 | 0.76±0.30 | 2.0±0.2 | 5.2REF | 2.2REF | 2.3REF | 1 | ||
| BSF0415HCYD | 4.45±0.25 | 4.06±0.25 | 1.3±0.2 | 0.76±0.30 | 2.0±0.2 | 5.2REF | 2.2REF | 2.3REF | 1 | ||
| BSF0418HCYD | 4.45±0.25 | 4.06±0.25 | 1.6±0.2 | 0.76±0.30 | 2.0±0.2 | 5.2REF | 2.2REF | 2.3REF | 1 | ||
| BSF0420HCYD | 4.45±0.25 | 4.06±0.25 | 1.8±0.2 | 0.76±0.30 | 2.0±0.2 | 5.2REF | 2.2REF | 2.3REF | 1 | ||
| BSF0512HCYD | 5.7±0.3 | 5.2±0.2 | 1.0±0.2 | 1.1±0.3 | 2.5±0.3 | 6.2REF | 2.2REF | 2.8REF | 1 | ||
| BSF0515HCYD | 5.7±0.3 | 5.2±0.2 | 1.3±0.2 | 1.1±0.3 | 2.5±0.3 | 6.2REF | 2.2REF | 2.8REF | 1 | ||
| BSF0518HCYD | 5.7±0.3 | 5.2±0.2 | 1.6±0.2 | 1.1±0.3 | 2.5±0.3 | 6.2REF | 2.2REF | 2.8REF | 1 | ||
| BSF0520HCYD | 5.7±0.3 | 5.2±0.2 | 1.8±0.2 | 1.1±0.3 | 2.5±0.3 | 6.2REF | 2.2REF | 2.8REF | 1 | ||
| BSF0530HCYD | 5.7±0.3 | 5.2±0.2 | 2.8±0.2 | 1.1±0.3 | 2.5±0.3 | 6.2REF | 2.2REF | 2.8REF | 1 | ||
| BSF0612HCYD | 7.0±0.3 | 6.6±0.3 | 1.0±0.2 | 1.8±0.3 | 2.5±0.3 | 7.7REF | 2.5REF | 3.0REF | 1 | ||
| BSF0615HCYD | 7.0±0.3 | 6.6±0.3 | 1.3±0.2 | 1.8±0.3 | 3.0±0.3 | 7.7REF | 2.5REF | 3.5REF | 1 | ||
| BSF0618HCYD | 7.0±0.3 | 6.6±0.3 | 1.6±0.2 | 1.8±0.3 | 3.0±0.3 | 7.7REF | 2.5REF | 3.5REF | 1 | ||
| BSF0620HCYD | 7.0±0.3 | 6.6±0.3 | 1.8±0.2 | 1.8±0.3 | 3.0±0.3 | 7.7REF | 2.5REF | 3.5REF | 1 | ||
| BSF0624HCYD | 7.0±0.3 | 6.6±0.3 | 2.2±0.2 | 1.8±0.3 | 3.0±0.3 | 7.7REF | 2.5REF | 3.5REF | 1 | ||
| BSF0630HCYD | 7.3±0.3 | 6.6±0.3 | 2.8±0.2 | 1.8±0.3 | 3.0±0.3 | 8.4REF | 2.5REF | 3.5REF | 1 | ||
| BSF0640HCYD | 7.3±0.3 | 6.6±0.3 | 3.8±0.2 | 1.8±0.3 | 3.0±0.3 | 8.4REF | 2.5REF | 3.5REF | 1 | ||
| BSF0650HCYD | 7.3±0.3 | 6.6±0.3 | 4.8±0.2 | 1.8±0.3 | 3.0±0.3 | 8.4REF | 2.5REF | 3.5REF | 1 | ||
| BSF1030HCYD | 11.0±0.5 | 10.0±0.3 | 2.8±0.2 | 2.3±0.3 | 3.0±0.3 | 13.6REF | 5.4REF | 3.5REF | 1 | ||
| BSF1040HCYD | 11.0±0.5 | 10.0±0.3 | 3.8±0.2 | 2.3±0.3 | 3.0±0.3 | 13.6REF | 5.4REF | 3.5REF | 1 | ||
| BSF1050HCYD | 11.0±0.5 | 10.0±0.3 | 4.8±0.2 | 2.3±0.3 | 3.0±0.3 | 13.6REF | 5.4REF | 3.5REF | 1 | ||
| BSF1230HCYD | 13.5±0.5 | 12.5±0.3 | 2.8±0.2 | 2.3±0.3 | 4.7±0.3 | 14.2REF | 8.0REF | 5.0REF | 1 | ||
| BSF1235HCYD | 13.5±0.5 | 12.5±0.3 | 3.3±0.2 | 2.3±0.3 | 4.7±0.3 | 14.2REF | 8.0REF | 5.0REF | 1 | ||
| BSF1250HCYD | 13.5±0.5 | 12.5±0.3 | 4.8±0.2 | 2.3±0.3 | 4.7±0.3 | 14.2REF | 8.0REF | 5.0REF | 1 | ||
| BSF1260HCYD | 13.5±0.5 | 12.5±0.3 | 5.7±0.2 | 2.3±0.3 | 4.7±0.3 | 14.2REF | 8.0REF | 5.0REF | 1 | ||
| BSF1265HCYD | 13.5±0.5 | 12.5±0.3 | 6.2±0.2 | 2.3±0.3 | 4.7±0.3 | 14.2REF | 8.0REF | 5.0REF | 1 | ||
| BSF1770HCYD | 17.6±0.4 | 16.9±0.3 | 6.7±0.2 | 2.1±0.3 | 11.9±0.3 | 18.5REF | 12.2REF | 12.5REF | 2 | ||