Oscillator coil ; choke coil ; and peaking coil








| DIMENSIONS & CHARACTERISTICS | UNIT : mm (inch) | |||
| NO | ORDERING CODE | A | B | IDC(A)△T40℃ |
|---|---|---|---|---|
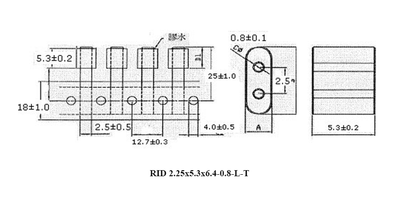
| 1 | RID 2.25*5.3*6.4-0.8-L-T | 2.25±0.20 | 6.40±0.30 | 9 |
| 2 | RID 2.3*5.5*7.50-0.8-L-T | 2.30±0.30 | 5.50±0.30 | 9 |
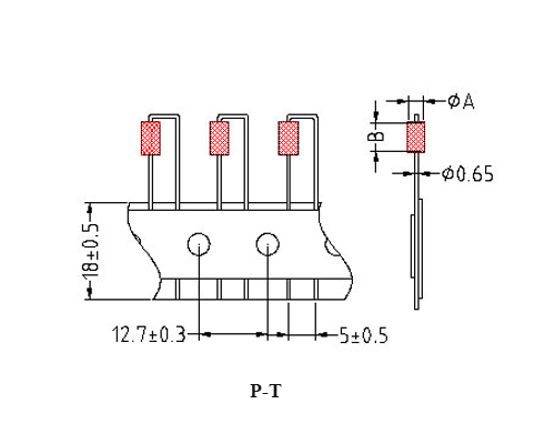
| 3 | T 3.5*3*0.8-P-T | 3.50±0.15 | 3.00±0.20 | 6 |
| 4 | T 3.5*3*0.8-B | 3.50±0.15 | 3.00±0.20 | 6 |
| 5 | RH 2.5*4*0.8-P-T | 2.50±0.15 | 4.00±0.30 | 6 |
| 6 | RH 3.5*4.5*0.8-A-T | 3.50±0.15 | 4.50±0.30 | 6 |
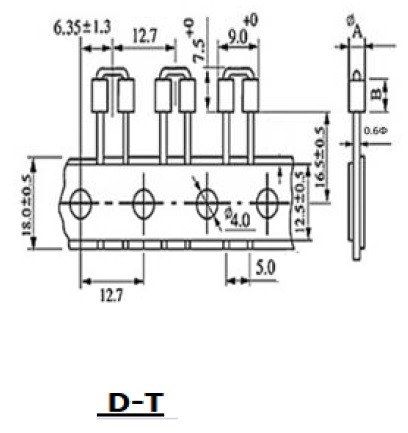
| 7 | RH 3.5*4.5*0.8-D-T | 3.50±0.15 | 4.50±0.30 | 6 |
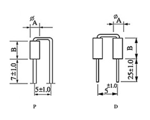
| 8 | RH 3.5*4.5*0.8-B | 3.50±0.15 | 4.50±0.30 | 6 |
| 9 | RH 3.5*4.5*0.8-S | 3.50±0.15 | 4.50±0.30 | 6 |
| 10 | RH 3.5*4.7*0.8-A-T | 3.50±0.15 | 4.70±0.30 | 6 |
| 11 | RH 3.5*4.7*0.8-P-T | 3.50±0.15 | 4.70±0.30 | 6 |
| 12 | RH 3.5*4.7*0.8-D-T | 3.50±0.15 | 4.70±0.30 | 6 |
| 13 | RH 3.5*4.7*0.8-B | 3.50±0.15 | 4.70±0.30 | 6 |
| 14 | RH 3.5*4.7*0.8-S | 3.50±0.15 | 4.70±0.30 | 6 |
| 15 | RH 3.5*5*0.8-A-T | 3.50±0.15 | 5.00±0.30 | 6 |
| 16 | RH 3.5*5*0.8-D-T | 3.50±0.15 | 5.00±0.30 | 6 |
| 17 | RH 3.5*5*0.8-B | 3.50±0.15 | 5.00±0.30 | 6 |
| 18 | RH 3.5*5*0.8-S | 3.50±0.15 | 5.00±0.30 | 6 |
| 19 | RH 3.5*6*0.8-A-T | 3.50±0.15 | 6.00±0.30 | 6 |
| 20 | RH 3.5*6*0.8-P-T | 3.50±0.15 | 6.00±0.30 | 6 |
| 21 | RH 3.5*6*0.8-D-T | 3.50±0.15 | 6.00±0.30 | 6 |
| 22 | RH 3.5*6*0.8-B | 3.50±0.15 | 6.00±0.30 | 6 |
| 23 | RH 3.5*7.5*0.8-A-T | 3.50±0.15 | 7.50±0.30 | 6 |
| 24 | RH 3.5*7.5*0.8-D-T | 3.50±0.15 | 7.50±0.30 | 6 |
| 25 | RH 3.5*7.5*0.8-S | 3.50±0.15 | 7.50±0.30 | 6 |
| 26 | RH 3.5*8*0.8-A-T | 3.50±0.15 | 8.00±0.30 | 6 |
| 27 | RH 3.5*8*0.8-P-T | 3.50±0.15 | 8.00±0.30 | 6 |
| 28 | RH 3.5*8*0.8-D-T | 3.50±0.15 | 8.00±0.30 | 6 |
| 29 | RH 3.5*8*0.8-B | 3.50±0.15 | 8.00±0.30 | 6 |
| 30 | RH 3.5*8.3*0.8-D-T | 3.50±0.15 | 8.30±0.30 | 6 |
| 31 | RH 3.5*9*0.8-A-T | 3.50±0.15 | 9.00±0.30 | 6 |
| 32 | RH 3.5*9*0.8-B | 3.50±0.15 | 9.00±0.30 | 6 |
| 33 | RH 3.5*9.5*0.8-P-T | 3.50±0.15 | 9.50±0.40 | 6 |
| 34 | RH 3.5*9.5*0.8-B | 3.50±0.15 | 9.50±0.40 | 6 |
| 35 | RH 3.5*11.4*0.8-S | 3.50±0.15 | 11.40±0.40 | 6 |