Enclosures for channel-type EMI suppressor snaps
* Internal and external power cables
* Internal cables between PC boards and data connectors


FIG 1

FIG 2

FIG 3

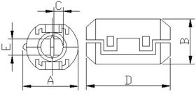
FIG 4

FIG 5

FIG 6
| DIMENSIONS & CHARACTERISTICS | UNIT : mm (inch) | |||||||||
| NO | ORDERING CODE | A | B | C | D | E | Applicable cable(max) | Fig | ||
|---|---|---|---|---|---|---|---|---|---|---|
| 1 | RC 10*20*5 | M | 13.00±1.00 | 12.00±1.00 | 5.00±1.00 | 25.50±1.00 | 2.40±0.50 | 2.1 | 3 | |
| 2 | RC 12*15*7 | M | 14.00±1.00 | 15.50±1.00 | 7.00±1.00 | 18.00±1.00 | 22.00±1.00 | 6.8 | 2 | |
| 3 | RC 13*23*7 | M | 17.00±1.00 | 15.00±1.00 | 7.00±1.00 | 30.00±1.00 | 3.00±1.00 | 3.4 | 3 | |
| 4 | RC 14*28.5*7 | M | 20.00±1.00 | 20.00±1.00 | 8.50±1.00 | 39.00±1.00 | - | 6.8 | 4 | |
| 5 | RC 16*13*8 | M | 19.50±1.00 | 23.00±1.00 | 8.00±1.00 | 17.00±1.00 | 23.00±1.00 | 7.8 | 1 | |
| 6 | RC 16*16*8 | M | 19.20±1.00 | 23.40±1.00 | 8.20±1.00 | 20.00±1.00 | 26.10±1.00 | 7.8 | 1 | |
| 7 | RC 16*28*8 | M1 | 19.50±1.00 | 20.00±1.00 | 9.50±1.00 | 31.00±1.00 | 35.00±1.00 | 7.8 | 2 | |
| 8 | RC 16*28*9 | M1 | 19.50±1.00 | 20.00±1.00 | 9.50±1.00 | 31.00±1.00 | 35.00±1.00 | 8.7 | 2 | |
| 9 | RC 16*28*9 | M2 | 20.00±1.00 | 18.00±1.00 | 9.50±1.00 | 36.00±1.00 | 6.50±1.00 | 6.4 | 3 | |
| 10 | RC 17.5*28.5*9.5 | 17.50±0.30 | 28.50±0.60 | 9.50±0.25 | 8.75+0(-0.6) | - | 9 | 6 | ||
| 11 | RC 17*28*11 | M | 20.50±1.00 | 20.50±1.00 | 11.00±1.00 | 31.50±1.00 | 36.00±1.00 | 10.8 | 2 | |
| 12 | RC 20*30*5 | M | 23.00±1.00 | 22.00±1.00 | 5.00±1.00 | 36.00±1.00 | 10.00±1.00 | 3.8*1.5 | 5 | |
| 13 | RC 20*30*13 | MB-01 | 23.00±1.00 | 22.00±1.00 | 13.50±1.00 | 36.00±1.00 | 10.00±1.00 | 9 | 3 | |
| 14 | RC 20.5*10*10.2 | M | 24.50±1.00 | 28.50±1.00 | 10.20±1.00 | 13.50±1.00 | 20.00±1.00 | 9.8 | 1 | |
| 15 | RC 24*14*11.5 | M | 28.00±1.00 | 31.50±1.00 | 11.50±1.00 | 18.00±1.00 | 24.00±1.00 | 11 | 1 | |
| 16 | RC 25*12*15 | M | 29.00±1.00 | 33.00±1.00 | 15.00±1.00 | 15.50±1.00 | 21.50±1.00 | 14.5 | 1 | |
| 17 | RC 26*30*13 | M | 30.75±1.00 | 31.00±1.00 | 13.00±1.00 | 34.00±1.00 | 39.00±1.00 | 12.7 | 2 | |
| 18 | RC 35.5*15*23 | 35.50±0.60 | 15.00±0.40 | 22.50-23.00 | 17.40±0.20 | - | 22 | 6 | ||