SPECIFICATION OF WCM SERIES

FEATURE

Lowprofile and very small size SMD Design, Wound Chip constructure with standard 0805
and 1812 size; with best EMI suppression effect but least impact to data signal wave form.

 
APPLICATIONS
 

Preventive measure against high speed signal radiation emissions such as USB 2.0; IEEE1394 or LAN interface. Best for NB; DSC; mobile device design.

ORDERING CODE.
WCM For USB2.0 IEEE1394 Lan Interface
  1. Product TypeCode
  2. Product Size Code
  3. Impedance Code
  4. Taping Code
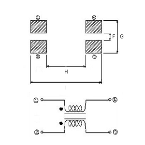
Appearance and Dimensions (mm)
WCM For USB2.0 IEEE1394 Lan Interface
WCM For USB2.0 IEEE1394 Lan Interface

UNIT : mm (inch)

SIZE CODEABCD1
TYP
D2
TYP
F
TYP
G
TYP
H
TYP
I
TYP
Series Spec.
WCM-1210
(0504)
1.20±0.20
(0.047±0.008)
1.00±0.20
(0.039±0.008)
0.90±0.20
(0.035±0.008)
0.36
(0.014)
0.38
(0.015)
0.30
(0.012)
1.20
(0.047)
0.60
(0.024)
1.50
(0.059)
WCM For USB2.0 IEEE1394 Lan Interface
WCM-2012
(0805)
2.00±0.20
(0.079±0.008)
1.20±0.20
(0.047±0.008)
1.20±0.20
(0.047±0.008)
0.45
(0.018)
0.40
(0.016)
0.40
(0.016)
1.20
(0.047)
0.80
(0.031)
2.60
(0.102)
WCM For USB2.0 IEEE1394 Lan Interface
WCM-2520
(1008)
2.50±0.20
(0.098±0.008)
2.00±0.20
(0.079±0.008)
1.20±0.20
(0.047±0.008)
0.50
(0.020)
0.70
(0.028)
0.50
(0.020)
2.10
(0.083)
1.50
(0.063)
3.10
(0.146)
WCM For USB2.0 IEEE1394 Lan Interface
WCM-3216
(1206)
3.20±0.20
(0.126±0.008)
1.60±0.20
(0.063±0.008)
2.00±0.20
(0.079±0.008)
0.60
(0.024)
0.60
(0.024)
0.40
(0.016)
1.60
(0.063)
1.60
(0.063)
3.70
(0.146)
WCM For USB2.0 IEEE1394 Lan Interface
WCM-3225
(1210)
3.30±0.20
(0.129±0.008)
2.60±0.20
(0.102±0.008)
2.50±0.15
(0.098±0.008)
0.50
(0.020)
0.90
(0.350)
0.60
(0.023)
3.50
(0.137)
1.60
(0.063)
4.00
(0.157)
WCM For USB2.0 IEEE1394 Lan Interface
WCM-4525
(1810)
4.80±0.20
(0.189±0.008)
2.80±0.20
(0.110±0.008)
2.20±0.35(-0.20)
(0.087+0.0137-0.0078)
0.75
(0.030)
0.75
(0.030)
0.70
(0.027)
2.70
(0.106)
3.00
(0.118)
5.50
(0.216)
WCM For USB2.0 IEEE1394 Lan Interface
WCM-4532
(1812)
4.50±0.20
(0.177±0.008)
3.20±0.20
(0.126±0.008)
2.80±0.35(-0.20)
(0.110+0.0137-0.0078)
1.00
(0.039)
1.00
(0.039)
0.40
(0.016)
3.60
(0.141)
2.10
(0.082)
4.90
(0.192)
WCM For USB2.0 IEEE1394 Lan Interface
WCM-453226
(1812)
4.50±0.20
(0.177±0.008)
3.20±0.20
(0.126±0.008)
2.60±0.45(-0.20)
(0.102+0.0177-0.0078)
1.00
(0.039)
1.00
(0.039)
0.40
(0.016)
3.60
(0.141
2.10
(0.082)
4.90
(0.192)
WCM For USB2.0 IEEE1394 Lan Interface
WCM-453228
(1812)
4.50±0.20
(0.177±0.008)
3.20±0.20
(0.126±0.008)
2.80±0.35(-0.20)
(0.110+0.0137-0.0078)
1.00
(0.039)
1.00
(0.039)
0.40
(0.016)
3.60
(0.141)
2.10
(0.082)
4.90
(0.192)
WCM For USB2.0 IEEE1394 Lan Interface
  1. Other sizes are available upon request.
  2. All the data listed in this catalogue are for reference only; King Core reserves
    the right to alter or revise the specifications without prior notification.
关闭