

Lowprofile and very small size SMD Design,
Wound Chip construction with standard 0805 size
matching lines with a characteristic impedance of 100 Ω, with best EMI suppression effect but least impact to HDMI signal wave.



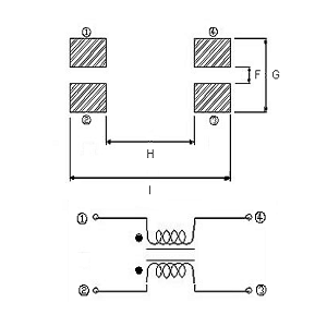
UNIT : mm (inch)
| SIZE CODE | A | B | C | D1 TYP | D2 TYP | F TYP | G TYP | H TYP | I TYP |
|---|---|---|---|---|---|---|---|---|---|
| WCM-2012HDMI (0805) | 2.00±0.20 ( 0.079±0.008) | 1.20±0.20 ( 0.047±0.008) | 1.20±0.20 ( 0.047±0.008) | 0.45 (0.018) | 0.40 (0.016) | 0.40 (0.016) | 1.20 (0.047) | 0.80 (0.031) | 2.60 (0.102) |