The rectagular solid ferrites are used for EMI suppression on flat cable assemblies.
* Internal floppy disk ribbon cables
* Internal ribbon cables between circuit and data connectors
* Internal ribbon cables with 8,16,32 or 64 bit digital signal busses






| DIMENSIONS & CHARACTERISTICS | UNIT : mm (inch) | ||||||
| NO | ORDERING CODE | A | B | C | D | E | Fig |
|---|---|---|---|---|---|---|---|
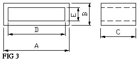
| 1 | FS 5*3*9-1.0 | 5.00±0.20 | 3.00±0.20 | 9.00±0.40 | 3.00±0.20 | 1.00±0.20 | 3 |
| 2 | FS 5.5*3*9-1.4 | 5.50±0.20 | 3.00±0.20 | 9.00±0.30 | 4.00±0.20 | 1.40±0.20 | 3 |
| 3 | FS 6.5*3.8*9-1.4 | 6.50±0.20 | 3.80±0.20 | 9.00±0.30 | 4.00±0.20 | 1.40±0.20 | 3 |
| 4 | FS 7.5*5.3*9-2.8 | 7.50±0.30 | 5.30±0.20 | 9.00±0.30 | 5.00±0.25 | 2.80±0.20 | 3 |
| 5 | FS 7.5*5.3*12-2.8 | 7.50±0.30 | 5.30±0.20 | 12.0±0.50 | 5.00±0.25 | 2.80±0.20 | 3 |
| 6 | FS 9.1*5.6*7.8-3.7 | 9.10±0.20 | 5.60±0.20 | 7.80±0.30 | 7.20±0.20 | 3.70±0.20 | 3 |
| 7 | FS 9.5*3*12-0.8 | 9.50±0.30 | 3.00±0.20 | 12.00±0.50 | 7.60±0.20 | 0.80±0.20 | 3 |
| 8 | FS 10*3.2*3-1.0 | 10.00±0.30 | 3.20±0.20 | 3.00±0.50 | 8.00±0.30 | 1.00±0.20 | 3 |
| 9 | FS 10*3.2*7-1.0 | 10.00±0.30 | 3.20±0.20 | 7.00±0.30 | 8.00±0.30 | 1.00±0.20 | 3 |
| 10 | FS 10*3.2*8-1.0 | 10.00±0.30 | 3.20±0.20 | 8.00±0.40 | 8.00±0.30 | 1.00±0.20 | 3 |
| 11 | FS 13.84*3.94*1.88-1.52 | 13.84±0.15 | 3.94±0.15 | 1.88±0.15 | 9.78±0.15 | 1.52±0.15 | 5 |
| 12 | FS 14.7*2.75*6-0.7 | 14.70±0.40 | 2.75±0.30 | 6.00±0.30 | 11.00±0.40 | 0.70±0.30 | 2 |
| 13 | FS 14.7*2.75*12-0.7 | 14.70±0.40 | 2.75±0.30 | 12.00±0.40 | 11.00±0.40 | 0.70±0.30 | 2 |
| 14 | FS 16*3*5-0.8 | 16.00±0.40 | 3.00±0.20 | 5.00±0.30 | 11.50±0.40 | 0.50(+0.60/-0.00) | 2 |
| 15 | FS 16*3*8-0.8 | 16.00±0.40 | 3.00±0.20 | 8.00±0.40 | 11.50±0.40 | 0.50(+0.60/-0.00) | 2 |
| 16 | FS 16*4*4-0.8 | 16.00±0.40 | 4.00±0.20 | 4.00±0.30 | 11.50±0.40 | 0.50(+0.60/-0.00) | 2 |
| 17 | FS 16*5*3-0.8 | 16.00±0.60 | 5.00(+0.00/-0.70) | 3.00±0.30 | 11.50±0.50 | 0.50(+0.60/-0.00) | 2 |
| 18 | FS 16*5*6-0.8 | 16.00±0.40 | 5.00(+0.00/-0.70) | 6.00±0.50 | 11.50±0.40 | 0.50(+0.60/-0.00) | 2 |
| 19 | FS 16*5*8-0.8 | 16.00±0.40 | 5.00(+0.00/-0.70) | 8.00±0.40 | 11.50±0.40 | 0.50(+0.60/-0.00) | 2 |
| 20 | FS 16*5*12-0.8 | 16.00±0.40 | 5.00(+0.00/-0.70) | 12.00±0.50 | 11.50±0.40 | 0.50(+0.60/-0.00) | 2 |
| 21 | FS 16*5*12-1.2 | 16.00±0.40 | 5.00(+0.00/-0.70) | 12.00±0.50 | 11.50±0.40 | 1.20±0.30 | 2 |
| 22 | FS 16*5*15-0.8 | 16.00±0.40 | 5.00(+0.00/-0.70) | 15.00±0.50 | 11.50±0.40 | 0.50(+0.60/-0.00) | 2 |
| 23 | FS 16*5*20-0.8 | 16.00±0.40 | 5.00(+0.00/-0.70) | 20.00±0.50 | 11.50±0.40 | 0.50(+0.60/-0.00) | 2 |
| 24 | FS 18*5*8-1.0 | 18.00±1.00 | 5.00±0.30 | 8.00±0.50 | 14.00±0.50 | 1.00±0.50 | 2 |
| 25 | FS 18*5*12-1.0 | 18.00±1.00 | 5.00±0.30 | 12.00±0.50 | 14.00±0.50 | 1.00±0.50 | 2 |
| 26 | FS 18.3*12*30-5.25 | 18.30±0.40 | 12.00±0.40 | 30.00±0.50 | 11.50±0.40 | 5.25±0.25 | 2 |
| 27 | FS 18.9*6.5*20-1.8 | 18.90±0.50 | 6.50±0.40 | 20.00±0.50 | 14.00±0.60 | 1.80±0.30 | 2 |
| 28 | FS 19*3*8-0.8 | 19.00±0.40 | 3.00±0.20 | 8.00±0.40 | 14.50±0.40 | 0.50(+0.60/-0.00) | 2 |
| 29 | FS 19*6.5*12-1.8 | 19.00±0.70 | 6.50±0.50 | 12.00±0.50 | 14.00±0.40 | 1.80±0.20 | 2 |
| 30 | FS 20.5*3.5*15-0.8 | 20.50±0.60 | 3.50±0.15 | 15.00±0.40 | 16.50±0.40 | 0.80±0.15 | 2 |
| 31 | FS 23.3*2.5*7-0.9 | 23.30±0.70 | 2.50±0.20 | 7.00±0.30 | 20.00±0.50 | 0.90±0.20 | 1 |
| 32 | FS 23.3*3*6-0.9 | 23.30±0.70 | 3.00±0.40 | 6.00±0.50 | 20.00±0.50 | 0.90±0.20 | 1 |
| 33 | FS 23.3*3*7-0.9 | 23.30±0.70 | 3.00(+0.40/-0.20) | 7.00±0.30 | 20.00±0.50 | 0.90±0.20 | 1 |
| 34 | FS 23.3*3*10-0.9 | 23.30±0.70 | 3.00(+0.40/-0.20) | 10.00±0.40 | 20.00±0.50 | 0.90±0.20 | 1 |
| 35 | FS 23.3*3*12-0.9 | 23.30±0.70 | 3.00(+0.40/-0.20) | 12.00±0.50 | 20.00±0.50 | 0.90±0.20 | 1 |
| 36 | FS 23.3*3*15-0.9 | 23.30±0.70 | 3.00(+0.40/-0.20) | 15.00±0.60 | 20.00±0.50 | 0.90±0.20 | 1 |
| 37 | FS 23.8*3.2*15-1.1 | 23.80±0.80 | 3.20±0.20 | 15.00±0.60 | 18.70±0.80 | 1.10±0.40 | 1 |
| 38 | FS 23.8*6.3*7-1.1 | 23.80±0.80 | 6.30±0.40 | 7.00±0.30 | 18.70±0.80 | 1.10±0.40 | 2 |
| 39 | FS 23.8*6.3*12.5-1.1 | 23.80±0.80 | 6.30±0.40 | 12.50±0.40 | 18.70±0.80 | 1.10±0.40 | 2 |
| 40 | FS 24*12*30-4.0 | 24.00±0.70 | 12.00±0.40 | 30.00±0.70 | 15.00±0.50 | 4.00±0.40 | 2 |
| 41 | FS 24.5*5*12-0.5 | 24.50±0.70 | 5.00(+0.00/-0.70) | 12.00±0.40 | 20.00±0.50 | 0.50(+0.60/-0.00) | 2 |
| 42 | FS 24.5*5*20-0.5 | 24.50±0.50 | 5.00(+0.00/-0.70) | 20.00±0.60 | 20.00±0.50 | 0.50(+0.60/-0.00) | 2 |
| 43 | FS 25*3.7*20-0.7 | 25.00±0.70 | 3.70±0.40 | 20.00±0.60 | 22.00±0.50 | 0.70(+0.50/-0.10) | 2 |
| 44 | FS 25.5*3*9-0.65 | 25.50±0.70 | 3.00±0.20 | 9.00±0.40 | 21.50±0.50 | 0.65±0.30 | 2 |
| 45 | FS 25.5*3*12-0.65 | 25.50±0.70 | 3.00±0.20 | 12.00±0.50 | 21.50±0.50 | 0.65±0.30 | 2 |
| 46 | FS 25.5*4.5*15-0.65 | 25.50±0.70 | 4.50±0.30 | 15.00±0.60 | 21.50±0.50 | 0.65±0.30 | 1 |
| 47 | FS 25.5*5*15-0.65 | 25.50±0.70 | 5.00±0.30 | 15.00±0.60 | 21.50±0.50 | 0.65±0.30 | 1 |
| 48 | FS 28.5*6.5*8-0.8 | 28.50±1.00 | 6.50±0.50 | 8.00±0.40 | 23.50±0.50 | 0.80±0.30 | 2 |
| 49 | FS 28.5*6.5*15-1.0 | 28.50±1.00 | 6.50±0.50 | 15.00±0.60 | 23.50±0.70 | 1.00±0.20 | 2 |
| 50 | FS 28.5*6.5*18-1.0 | 28.50±1.00 | 6.50±0.50 | 18.00±0.70 | 23.50±0.70 | 1.00±0.20 | 2 |
| 51 | FS 28.6*7.7*10-1.7 | 28.60±0.50 | 7.70±0.50 | 10.0±0.40 | 23.50±0.50 | 1.70±0.50 | 2 |
| 52 | FS 28.6*7.7*14.6-1.7 | 28.60±0.50 | 7.70±0.50 | 14.60±0.60 | 23.50±0.50 | 1.70±0.50 | 2 |
| 53 | FS 31*3*8-1.0 | 31.00±1.00 | 3.00±0.20 | 8.00±0.40 | 27.00±0.70 | 1.00±0.20 | 2 |
| 54 | FS 31*3*12-1.0 | 31.00±1.00 | 3.00±0.20 | 12.00±0.50 | 27.00±0.70 | 1.00±0.20 | 2 |
| 55 | FS 31*4*20-0.7 | 31.00±1.00 | 4.00±0.30 | 20.00±0.60 | 27.00±0.70 | 0.70±0.20 | 2 |
| 56 | FS 31*5*9-1.0 | 31.00±1.00 | 5.00±0.30 | 9.00±0.40 | 27.00±0.70 | 1.00±0.20 | 2 |
| 57 | FS 31*5*12-1.0 | 31.00±1.00 | 5.00±0.30 | 12.00±0.50 | 27.00±0.70 | 1.00±0.20 | 2 |
| 58 | FS 31*5*18-1.0 | 31.00±1.00 | 5.00±0.30 | 18.00±0.60 | 27.00±0.70 | 1.00±0.20 | 2 |
| 59 | FS 32*4*25-0.7 | 32.00±1.00 | 4.00±0.20 | 25.00±0.50 | 27.00(+2.00/-0.00) | 0.70(+0.30/-0.00) | 2 |
| 60 | FS 32*6*25-0.85 | 32.00±1.00 | 6.00±0.30 | 25.00±1.00 | 28.00±0.70 | 0.85±0.20 | 2 |
| 61 | F3S 32*11.8*16-1.0 | 32.00±0.80 | 11.80±0.50 | 16.00±0.60 | 27.00±0.90 | 1.00±0.30 | 4 |
| 62 | FS 33.5*6.5*8-1.3 | 33.50±1.00 | 6.50±0.50 | 8.00±0.30 | 27.00±0.70 | 1.30(+0.50/-0.30) | 2 |
| 63 | FS 33.5*6.5*10-1.3 | 33.50±1.00 | 6.50±0.50 | 10.00±0.40 | 27.00±0.70 | 1.30(+0.50/-0.30) | 2 |
| 64 | FS 33.5*6.5*12-1.3 | 33.50±1.00 | 6.50±0.50 | 12.00±0.50 | 27.00±0.70 | 1.30(+0.50/-0.30) | 2 |
| 65 | FS 33.5*6.5*15-1.3 | 33.50±1.00 | 6.50±0.50 | 15.00±0.50 | 27.00±0.70 | 1.30(+0.50/-0.30) | 2 |
| 66 | FS 33.5*6.5*20-1.3 | 33.50±1.00 | 6.50±0.50 | 20.00±0.60 | 27.00±0.70 | 1.30(+0.50/-0.30) | 2 |
| 67 | FS 36*6.5*18-0.6 | 36.00±1.00 | 6.50±0.50 | 18.00±0.60 | 31.00±0.70 | 0.60±0.30 | 2 |
| 68 | FS 36*7.5*8-1.0 | 36.00±1.00 | 7.50±0.50 | 8.00±0.40 | 31.00±0.70 | 1.00±0.20 | 2 |
| 69 | FS 36*7.5*20-1.0 | 36.00±1.00 | 7.50±0.50 | 20.00±1.00 | 31.00±0.70 | 1.00±0.20 | 2 |
| 70 | FS 36*7.5*30-1.0 | 36.00±1.00 | 7.50±0.50 | 30.00±0.80 | 31.00±0.70 | 1.00±0.20 | 2 |
| 71 | FS 36*7.5*36-1.0 | 36.00±1.00 | 7.50±0.50 | 36.00±1.00 | 31.00±0.70 | 1.00±0.20 | 2 |
| 72 | FS 36.6*5*12-0.8 | 36.60±1.00 | 5.00±0.20 | 12.00±0.50 | 32.40±0.70 | 0.80±0.30 | 2 |
| 73 | FS 38.5*4*12-0.8 | 38.50±1.00 | 4.00±0.30 | 12.00±0.50 | 35.00±0.70 | 0.80±0.30 | 2 |
| 74 | FS 38.5*4*15-0.8 | 38.50±1.00 | 4.00±0.50 | 15.00±0.60 | 35.00±0.70 | 0.80±0.30 | 2 |
| 75 | FS 38.53*12.06*25.4-1.9 | 38.53±0.58 | 12.06±0.38 | 25.40±0.76 | 26.77±0.76 | 1.90±0.38 | 1 |
| 76 | FS 40*6.5*6-1.3 | 40.00±1.00 | 6.50±0.50 | 6.00±0.30 | 35.00±0.70 | 1.30(+0.50/-0.30) | 2 |
| 77 | FS 40*6.5*8-1.3 | 40.00±1.00 | 6.50±0.50 | 8.00±0.40 | 35.00±0.70 | 1.30(+0.50/-0.30) | 2 |
| 78 | FS 40*6.5*10-1.3 | 40.00±1.00 | 6.50±0.50 | 10.00±0.40 | 35.00±0.70 | 1.30(+0.50/-0.30) | 2 |
| 79 | FS 40*6.5*12-1.3 | 40.00±1.00 | 6.50±0.50 | 12.00±0.50 | 35.00±0.70 | 1.30(+0.50/-0.30) | 2 |
| 80 | FS 40*6.5*12-2.0 | 40.00±1.00 | 6.50±0.50 | 12.00±0.50 | 35.00±0.70 | 2.00±0.30 | 2 |
| 81 | FS 40*6.5*15-1.3 | 40.00±1.00 | 6.50±0.50 | 15.00±0.60 | 35.00±0.70 | 1.30(+0.50/-0.30) | 2 |
| 82 | FS 40*6.5*18-1.3 | 40.00±1.00 | 6.50±0.50 | 18.00±0.70 | 35.00±0.70 | 1.30(+0.50/-0.30) | 2 |
| 83 | FS 40*6.5*20-1.3 | 40.00±1.00 | 6.50±0.50 | 20.00±0.60 | 35.00±0.70 | 1.30(+0.50/-0.30) | 2 |
| 84 | FS 40*11.4*5-7.4 | 40.00±1.00 | 11.40±0.50 | 5.00±0.40 | 32.00±0.80 | 7.40±0.50 | 3 |
| 85 | FS 45.1*12.5*28.5-1.5 | 45.10±0.76 | 12.50±0.25 | 28.50±0.64 | 34.40±0.64 | 1.50±0.25 | 1 |
| 86 | FS 45.2*6.5*12-1.3 | 45.20±1.00 | 6.50±0.50 | 12.00±0.50 | 40.00±0.80 | 1.30(+0.50/-0.30) | 2 |
| 87 | FS 45.2*6.5*15-1.3 | 45.20±1.00 | 6.50±0.50 | 15.00±0.60 | 40.00±0.80 | 1.30(+0.50/-0.30) | 2 |
| 88 | FS 49.6*6.5*8-1.3 | 49.60±1.00 | 6.50±0.50 | 8.00±0.40 | 44.00±0.80 | 1.30(+0.50/-0.30) | 2 |
| 89 | FS 49.6*6.5*10-1.3 | 49.60±1.00 | 6.50±0.50 | 10.00±0.40 | 44.00±0.80 | 1.30(+0.50/-0.30) | 2 |
| 90 | FS 49.6*6.5*12-1.3 | 49.60±1.00 | 6.50±0.50 | 12.00±0.50 | 44.00±0.80 | 1.30(+0.50/-0.30) | 2 |
| 91 | FS 49.6*6.5*15-1.3 | 49.60±1.00 | 6.50±0.50 | 15.00±0.50 | 44.00±0.80 | 1.30(+0.50/-0.30) | 2 |
| 92 | FS 49.6*7*12-1.8 | 49.60±1.00 | 7.00±0.50 | 12.00±0.50 | 44.00±0.80 | 1.80±0.40 | 2 |
| 93 | FS 50*6.5*12-1.4 | 50.00±1.00 | 6.50±0.50 | 12.00±0.50 | 44.90±0.80 | 1.40±0.20 | 2 |
| 94 | FS 57.6*6.5*12-1.3 | 57.60±1.20 | 6.50±0.50 | 12.00±0.50 | 52.00±0.90 | 1.30(+0.50/-0.30) | 2 |
| 95 | FS 58.6*7.5*20-1.3 | 58.60±1.20 | 7.50±0.50 | 20.00±0.60 | 52.00±0.90 | 1.30(+0.50/-0.30) | 2 |
| 96 | FS 60*12*12.7-2.2 | 60.00±1.00 | 12.00±0.50 | 12.70±0.60 | 48.50±0.80 | 2.20±0.40 | 1 |
| 97 | FS 60.6*6.5*12-1.3 | 60.60±1.20 | 6.50±0.50 | 12.00±0.50 | 55.20(+1.00/-0.50) | 1.30(+0.50/-0.30) | 2 |